Máte projekt, se kterým vám můžeme pomoci?

Audit vodních okruhů | Huhtamaki

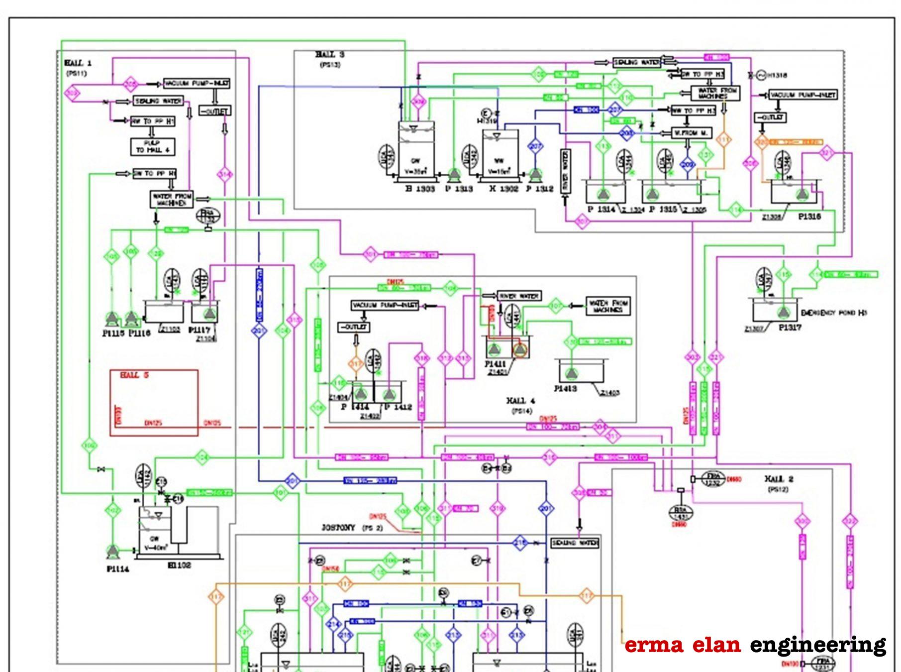
Popis

Zmapování stávajícího stavu vodního hospodářství závodu, aktualizace schémat a vytvoření blokových diagramů, bilancí, určení kritických míst pro budoucí rozvoj závodu.

Detaily projektu

DATUM

09. 2015 - 10. 2015

ZÁKAZNÍK

Huhtamaki ČR, a. s.

MÍSTO PROJEKTU

Přibyslavice, Česká republika

Galerie projektu

Požádejte nás o nabídku

Líbí se Vám naše práce? Plánujete, nebo již máte, projekt, se kterým bychom Vám mohli pomoci? Neváhejte nás kontaktovat pomocí formuláře níže.